CHAPTER 10 - CURRENT METERS

7. Subclasses of Anemometer-Propeller Current Meters

These commonly used current meters convert velocity into counts of rotations. Conventional meters are of two general typesCthe propeller type with horizontal axis of rotation and the conical cup type with vertical axis. The relationship between the velocity of the water and number of revolutions per unit of time for various velocities is determined for each instrument by experiment. Individual meters of models that have had long and extensive use without structural or mechanical changes can use previous experimental calibrations with confidence. This procedure requires tight control during manufacture with close tolerances for mechanical part dimensions and verification with time-spin tests.

The manufacturer should provide the appropriate calibration equations, tables, or curves with each meter. A sample rating table is shown on figure 10-8 for a meter with the equations:

figure

and

figure

In these equations, V is the velocity in feet per second (ft/s), and N is the number of revolutions per second.

figure
Figure 10-8 -- Typical current-meter rating table.

Each meter is calibrated for the types of suspensions with which it may be used (Smoot, 1968). The two principal types of suspensions are wading rod and cables (shown on figures 10-2 and 10-4, respectively).

Because accuracy is greatly affected by general condition, the instrument should be checked at least once a year. This check can be done by comparing the meter readings with a second meter by placing it in the same position in a nonchanging flow. This procedure is done at low, middle, and high velocity to cover the meter measuring range. If significant difference exists between the two meter readings, or if another meter is not available for checking to begin with, then the meter should be sent to a laboratory for calibration.

(a) Price-Type Meters (Vertical Axis)

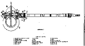
The Price meter, a cup-type instrument with a vertical axis, was developed by USGS and is commonly used for irrigation water measurement. This meter has the following general features: vanes to keep the front of the meter headed into the current, either a cable or a rod for handling the meter, weights for sinking the meter when it is suspended on a cable, an electric device for signaling and/or counting the number of revolutions, and connections from the current meter to a 12-volt battery-powered headphone (figure 10-9).

figure
Figure 10-9 -- General assembly of Price type AA current meter (sheet 1 of 2).

figure
Figure 10-9 -- General assembly of Price type AA current meter (sheet 2 of 2).

The Bureau of Reclamation (Reclamation) commonly uses two standard Price-type meters: (1) the type AA meter with the Columbus-type weights or a wading rod, and (2) the type BTA meter

(figures 10-10 through 10-13). The pygmy meter, discussed in the following subsection, is also a modification of the standard Price meter. The BTA meter has the same pivot, hub assembly, and shaft as the type AA meter, which eliminates the need for two sets of spare parts. The parts for type AA and BTA meters are interchangeable, except for the yoke and the contact chamber. Two sets of revolution-indicating contacts are provided in the type AA and BTA meters; one set indicates every five revolutions. The electrical cable should be connected to the counter most appropriate for the anticipated bucket wheel speeds. A type AA meter on a wading rod is shown on figure 10-13.

figure
Figure 10-10 -- Assembly drawing of Price type AA current meter.

figure
Figure 10-11 -- Assembly drawing of Price type BTA current meter.

figure
Figure 10-12 -- Assembly drawing of pygmy-type current meter.

figure
Figure 10-13 -- Price type AA current meter on a round wading rod.

An improved contact chamber has been developed by USGS to replace the wiper contact of the Price type AA meter (USGS, 1965). The new chamber contains a magnetic switch that is hermetically sealed in a hydrogen atmosphere within a glass enclosure. The switch assembly attaches rigidly to the top of the meter head just above the tip of the shaft. The switch is operated by a small permanent magnet fastened to and in balance with the shaft. The switch quickly closes when aligned with the magnet and promptly opens when the magnet moves away. One count per revolution is obtained.

The magnetic switch can be used on any type AA meter by replacing the shaft and the contact chamber. The change does not alter the rating of the meter. Headphones must not be used with the new switch because arcing can weld the switch contacts. Instead, an automatic counter should be used (USGS, 1965).

(b) Pygmy Meters (Vertical Axis)

Pygmy meters are similar to Price meters in that both contain a cup-type wheel mounted on a vertical shaft. The pygmy cup wheel is 2 in in diameter, compared with 5 in for conventional Price meters. Thus, the pygmy meter can measure velocities closer to flow boundaries. The contact chamber is an integral part of the yoke and contains a single-revolution contact only (figure 10-12). The meter has no tailpiece, and no provision is made for cable suspension. The rotational speed of the pygmy meter cup wheel is more than twice that of Price meters. Consequently, use of the pygmy meter is limited to velocities up to 3 or 4 ft/s. The pygmy meter was specially designed for use in small, shallow streams. The smaller meter was necessary because a standard

Price meter does not perform with sufficient accuracy when it occupies a good share of the available stream depth. The pygmy meter may also be used in large canals where the velocity of flow is low or near the edges of a canal to supplement data taken farther out in the channel with a Price meter.

(c) Propeller Meters (Horizontal Axis)

In special situations, Reclamation has used meters of the propeller type with horizontal axles. Hoff meters, Haskell meters, Ott meters, and Neyrpic "Dumas" meters are examples. A Dumas meter and electrical output cable attached to a support rod are shown on figure 10-14a. An assembly of eight Dumas meters with appropriate handling equipment is shown on figure 10-14b. In this case, the equipment was mounted on a flatbed truck for positioning. These meters have some advantages compared to the Price meters. They are less sensitive to velocity components not parallel to the meter axis, they are smaller, and they are more suited for mounting in multiple units.

figure
Figure 10-14a -- "Dumas" current meter of the propeller type with horizontal axle. Hott and Ott meters are of the same type..

figure
Figure 10-14b -- Truck-mounted assembly of eight propeller-type current meters and signal recording equipment used on Gateway Canal, Weber Basin Project, Utah.